Skip to Content
English (US)
  • lg.code English (US)
  • lg.code Español (MX)
Bow Shackles
BS3T-in.webp
Bow Shackles

Bow Shackles BS3T

Contact for price

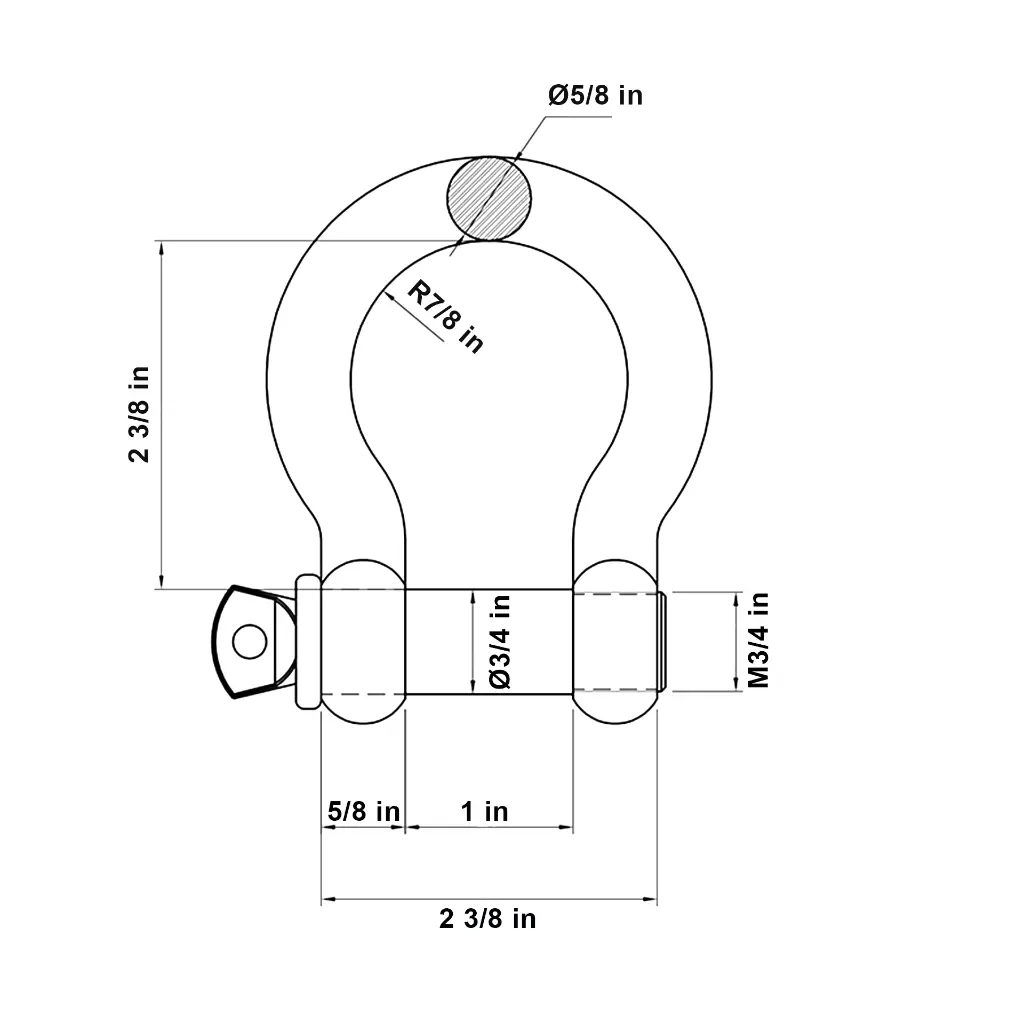
Bow Shackles - BS1,5T

General

It is useful in many applications for safe and secure attachments.

Features

  • Load rating stamped.
  • Australian Standard material grade S/6.
  • Tested to: AS 2741.
  • Galvanised finish.
  • Secure collar pinhole for security tie wire.

Specifications

Bow Shackle 1.5T

 
Imperial
Working load limit3307 lb
Net weight0.44 lb
Gross weight0.5 lb

Request a price

*How we might use your information We may contact you by phone or email, if you have not opted out, or where we are otherwise permitted by law, to provide you with marketing communications about similar goods and services. The legal basis that allows us to use your information is ‘legitimate interests’. More information about how we use your personal data can be found in our Privacy Policy.